| К548УН1 (А, Б, В) малошумящий двухканальный усилитель 
 Структурная схема 
 Корпус типа 201.14-1 
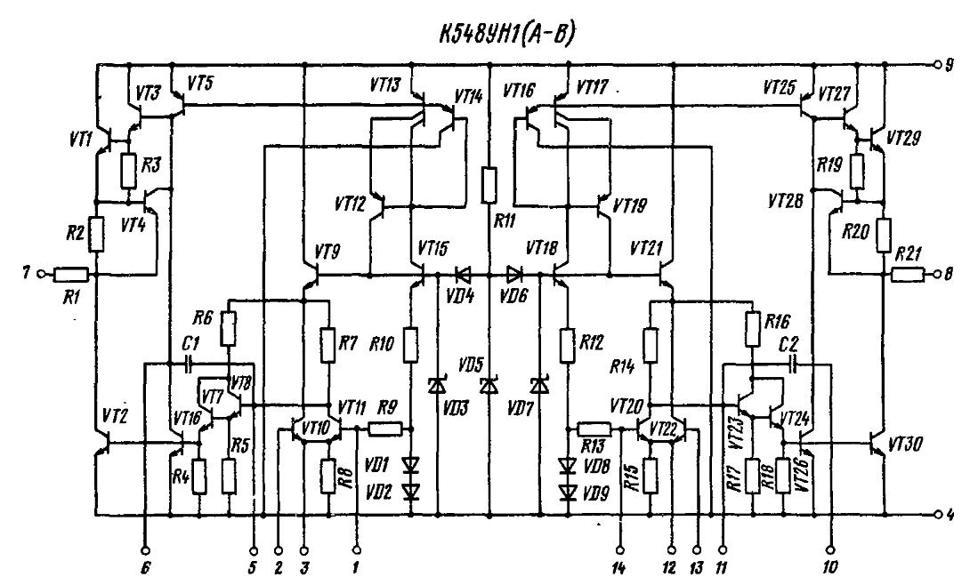
 Внутренняя схема 
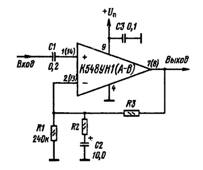
 Принципиальная схема линейного усилителя (симметричное включение микросхемы К548УН1 (А-В), Kу,U = (R3+R2)/R2 
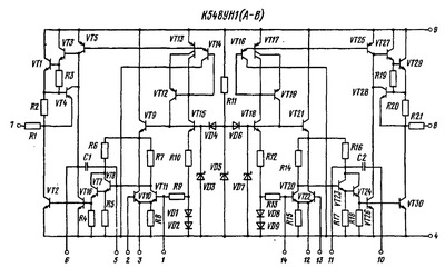
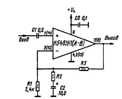
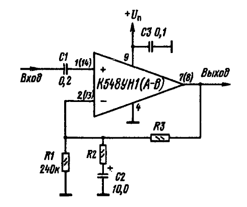
 Принципиальная схема линейного усилителя (несимметричное включение микросхемы К548УН1 (А-В), Kу,U = (R3+R2)/R2 --------------------------------------------- Описание Микросхема представляет собой малошумящий двухканальный усилитель для предварительного усиления сигналов частотой до 1 МГц. Предназначена для применения в высококачественной стереофонической бытовой и студийной аппаратуре записи и воспроизведения звука, а также радиоизмерительной аппаратуре. Микросхема имеет малые шумы и нелинейные искажения, внутреннюю частотную коррекцию и защиту от коротких замыканий. Корпус типа 201.14-1. Масса не более 1,5 г. Назначение выводов: 1 — вход неинвертирующий 1 -го канала; 2—вход инвертирующий 1 -го канала; 3—общий эмиттер дифференциального каскада 1-го канала; 4—общий (-Uп); 5, 6—коррекция 1 -го канала; 7—выход 1 -го канала; 8—выход 2 -го канала; 9—питание (+Uп); 10, 11—коррекция 2 -го канала; 12—общий эмиттер дифференциального каскада 2 -го канала; 13—вход инвертирующий 2 -го канала; 14—вход неинвертирующий 2 -го канала. 
 Источник: https://rudatasheet.ru/microchips/k548un1/
 |