Суббота
07.03.2026
13:10
Категории раздела
Электроника [131]
Очумелые ручки [45]
Гитарные педали эффектов [26]
Синтез звука [2]
Компьютеры и др. [20]
Судомоделизм [11]
Работа с деревом [9]
Поделки из бумаги [8]
Чертежи и схемы [24]
Data Sheets [20]
Разное [8]
Поиск
Вход на сайт
Статистика

Top.Mail.Ru
Друзья сайта
Flag Counter
Теги
чертежи дерево журнал сам Домашняя Лаборатория 2007 CD4049 электроника Delay NE555 CD4017 судомоделизм примочки гитара 555 Amp LM386 усилитель VerifiedGRECHA блок питания схемы Парусник Мастерок генератор синтезатор БП JFET VCO CD40106 электрогитара эффекты педали boss Tremolo Sequencer distortion preamp секвенсор Verified MXR boost overdrive Pedals fuzz bass COLORSOUND Compressor TL072 TDA2822 drum
Коллекция работ и идей. Всё своими руками.

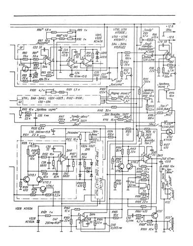
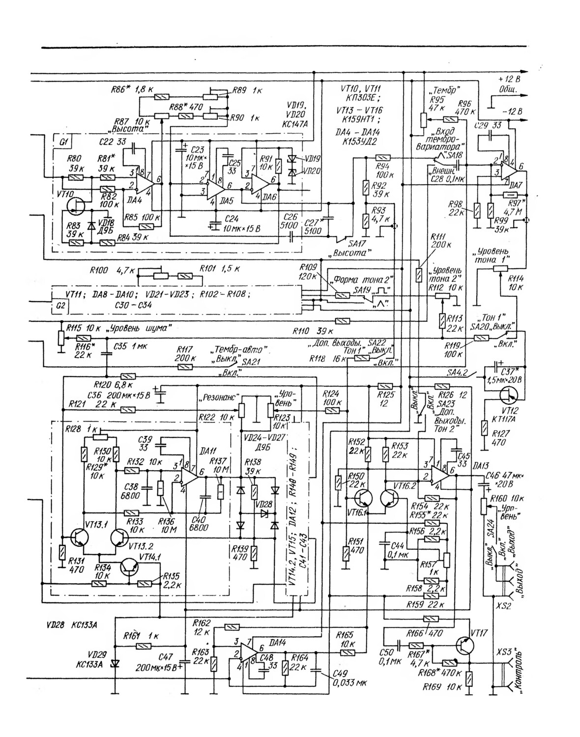
Простой синтезатор

Простой синтезатор

Источник

«Радио» № 9 за 1985 год
«Радио» № 10 за 1985 год
автор И. Бугайчук



Источник: http://archive.radio.ru/web/1985/
Категория: Электроника | Добавил: Molier (03.03.2026) | Автор: И. Бугайчук
Просмотров: 6 | Теги: Журнал радио, синтезатор | Рейтинг: 0.0/0


Похожие статьи :
Добавлять комментарии могут только зарегистрированные пользователи.
[ Регистрация | Вход ]