| Molier | Дата: Понедельник, 02.02.2026, 16:40 | Сообщение # 1 |
|
Генерал-лейтенант
Группа: Администраторы
Сообщений: 622
Статус: Offline
|
|
| |
|
|
| Molier | Дата: Понедельник, 02.02.2026, 16:41 | Сообщение # 2 |
|
Генерал-лейтенант
Группа: Администраторы
Сообщений: 622
Статус: Offline
| ВИДЕО ПО ТЕМЕ https://youtu.be/00CKkylbSV0?si=whHXu3wIQbDwMQaM
|
| |
|
|
| Molier | Дата: Понедельник, 02.02.2026, 16:43 | Сообщение # 3 |
|
Генерал-лейтенант
Группа: Администраторы
Сообщений: 622
Статус: Offline
| 
https://hackaday.com/2016....quencer
|
| |
|
|
| Molier | Дата: Понедельник, 02.02.2026, 16:45 | Сообщение # 4 |
|
Генерал-лейтенант
Группа: Администраторы
Сообщений: 622
Статус: Offline
| 
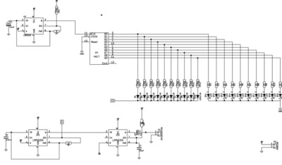
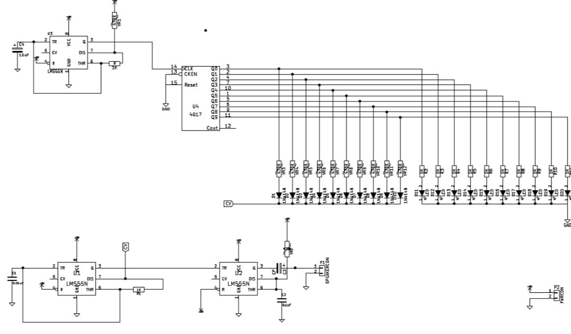
Не уверен, хотите ли вы еще завершить этот проект, но если да, то вот мой совет. Для начала, просто соберите APC отдельно. Консоль Atari Punk — это почти первая сборка для каждого. Если вам понравится процесс сборки и вы захотите пойти дальше, тогда я бы посоветовал собрать версию с секвенсором. Как и во всем остальном, нужно убедиться, что вы освоили основы, прежде чем переходить к более сложным вещам. Я бы порекомендовал этот веб-урок по сборке БТР. Автор хорошо и пошагово объясняет весь процесс, а схема внизу страницы легко читается. http://www.jameco.com/Jameco/PressRoom/punk.html Вам понадобятся следующие компоненты: 2 потенциометра по 1 мегаому, потенциометр на 5 кОм, резистор на 1 кОм, 2 конденсатора по 0,01 микрофарад, конденсатор на 10 микрофарад, микросхема 556, батарея 9 В, разъем для батареи 9 В (штуцер, который защелкивается на верхней части батареи 9 В). Если вы хотите точно воспроизвести его схему, вам также понадобится динамик. В качестве альтернативы вы можете использовать 1/4-дюймовый разъем, такой же, как в гитарном усилителе, а затем подключить кабель к другому динамику или аудиоинтерфейсу. Просто подключите разъем точно так же, как динамик на схеме. Другие советы: Перед подключением APC обязательно отключите звук динамика и постепенно увеличивайте громкость. Это устройство может быть на удивление громким. Ознакомьтесь с техническими характеристиками микросхем 556. Потенциометры имеют три вывода. В данном случае все три потенциометра в цепи подключены только к двум из трех выводов. Вам нужно подключить средний вывод к соединению, обозначенному стрелкой на схеме, а для другого вывода выбрать один из двух крайних выводов. Выбранная сторона определяет, в какую сторону поворачивать потенциометр для увеличения сопротивления. Перед пайкой к печатной плате проведите макетирование этой схемы на макетной плате. Всегда используйте макетную плату, если это возможно. На YouTube много видеороликов о пайке на печатные платы и макетные платы. Это немного отличается от того, как паяют электронику для гитар, но если вы уже паяли раньше, то освоите это довольно легко. Если хотите, я могу дать вам несколько советов по APC + секвенсору, но я настоятельно рекомендую сначала собрать стандартный APC, прежде чем пробовать версию с секвенсором, особенно учитывая, что на данном этапе вы, похоже, не очень хорошо разбираетесь в самостоятельной сборке синтезаторов. Удачного строительства!
https://www.reddit.com/r....hematic
|
| |
|
|
| Molier | Дата: Понедельник, 02.02.2026, 16:46 | Сообщение # 5 |
|
Генерал-лейтенант
Группа: Администраторы
Сообщений: 622
Статус: Offline
| 
https://electro-music.com/forum/post-279482.html
|
| |
|
|