|
TOM DRUM
| |
| Molier | Дата: Вторник, 10.02.2026, 10:46 | Сообщение # 1 |
|
Генерал-лейтенант
Группа: Администраторы
Сообщений: 622
Статус: Offline
|
|
| |
|
|
| Molier | Дата: Вторник, 10.02.2026, 10:48 | Сообщение # 2 |
|
Генерал-лейтенант
Группа: Администраторы
Сообщений: 622
Статус: Offline
| Барабан TOM DRUM имеет четыре независимых настроенных перкуссионных тембра в одном модуле.
- Входы TRIG 1 , TRIG 2 , TRIG 3 и TRIG 4 — запускают каждый голос отдельно. Новый звук ударных запускается по верхнему фронту гейта; длительность гейта не влияет на результат.
- Регуляторы PITCH — частота каждого голоса, от дозвуковых значений до примерно 1 кГц.
- Выход OUT – микс всех 4 тембров ударных.
На самом деле это 4 упрощенные схемы бас-барабана в одном модуле, немного отличающиеся по звучанию и без регуляторов затухания . Это может быть полезно, если у вас есть несколько доступных триггеров ударных, например, от модуля PROGRAMMED CLOCK DIVIDER или ритм-секвенсора с выходами DRUM GATE, такого как Arturia QuickStep или KeyStep Pro.
|
| |
|
|
| Molier | Дата: Вторник, 10.02.2026, 10:52 | Сообщение # 3 |
|
Генерал-лейтенант
Группа: Администраторы
Сообщений: 622
Статус: Offline
| 
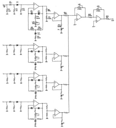
схема Номера и значения компонентов указаны только для первого канала.
Данная схема не является оригинальной, она заимствована из нескольких источников и в значительной степени основана на очень хорошем объяснении Каспара Оккелена-Корппи на сайте helsinkisoundelectronics.files.wordpress.com , за что ему спасибо.
|
| |
|
|
| Molier | Дата: Вторник, 10.02.2026, 10:54 | Сообщение # 4 |
|
Генерал-лейтенант
Группа: Администраторы
Сообщений: 622
Статус: Offline
| Конденсатор C1 заряжается по восходящему фронту входного сигнала; диод D1 выбирает только положительный фронт для создания очень короткого триггерного импульса, который запускает автоколебания следующего фильтра. C2 + C3 + VR1 и R5 + R6 образуют режекторный фильтр типа «Twin-T» в цепи обратной связи первого операционного усилителя. Это резонансный контур, который будет самовозбуждаться при воздействии импульса на вход. Регулятор VR1 настраивает частоту фильтра, а сопротивление R4 выбирается (путем тестирования) таким образом, чтобы избежать непрерывных автоколебаний на одном из концов диапазона хода.
Для контроля затухания колебаний и получения относительно короткого по высоте звука были выбраны ноты C4 и R7 (по результатам тестирования).
Уровень сигнала сразу после срабатывания довольно высок, поэтому он уменьшается с помощью R8 + R9, чтобы избежать искажений на втором операционном усилителе каждого канала, сконфигурированном как повторитель напряжения.
Обратите внимание, что резистор R10 на светодиоде должен обеспечивать падение напряжения 10 В при токе 20 мА, поэтому для этой части был выбран резистор мощностью 1/4 Вт, а не 1/8 Вт, используемые в других местах.
Выходные сигналы от всех четырех фильтрующих цепей Twin-T смешиваются через резистор R11 и поступают на выходной каскад, состоящий из двух операционных усилителей, сконфигурированных как инвертирующие суммирующие усилители.
Заимствуя идею из модуля KICK DRUM , два регулятора усиления позволяют при необходимости намеренно перегрузить первый каскад, чтобы обеспечить некоторую компрессию волновой формы. Регулятор VR2 устанавливает усиление от 0 до 300%, а регулятор VR3 — уровень выходного сигнала от 0 до 100%, чтобы вернуть его к нормальному уровню аудиосигнала.
На схеме не показано: два операционных усилителя TL074 и один операционный усилитель TL072 (можно использовать любой другой операционный усилитель) питаются от +12 В и -12 В, с развязывающими конденсаторами 100 нФ, обеспечивающими напряжение 0 В.
|
| |
|
|
| Molier | Дата: Вторник, 10.02.2026, 10:57 | Сообщение # 5 |
|
Генерал-лейтенант
Группа: Администраторы
Сообщений: 622
Статус: Offline
| СтроительствоСхема разделена на две перфорированные платы размером 15 x 42 отверстия , вырезанные из большей платы, соединенные 14-контактными разъемами и гнездами сверху и снизу. Все компоненты соединены точечной проводкой кабелем Kynar сечением 30 AWG .
На первой плате расположены четыре вертикальных потенциометра Alpha 9 мм , четыре светодиода и пять монофонических разъемов PJ398SM , которые крепятся непосредственно к алюминиевой передней панели. Расположение разъемов было выбрано таким образом, чтобы каждый вход триггера находился близко к соответствующему светодиоду и регулятору PITCH, оставляя достаточно места для пальцев и стараясь не загораживать соседние модули. На ножках четырех светодиодов имеется изоляционная втулка длиной 8 мм, соответствующая высоте остальных компонентов. Потенциометры, патроны и светодиоды подключаются напрямую к контактам двух 14-контактных разъемов, соединяясь со второй платой…
На второй плате размещены сами компоненты схемы: два четырехканальных операционных усилителя, один двухканальный операционный усилитель, фильтрующие компоненты и разъем питания.
|
| |
|
|
| Molier | Дата: Вторник, 10.02.2026, 10:59 | Сообщение # 6 |
|
Генерал-лейтенант
Группа: Администраторы
Сообщений: 622
Статус: Offline
| Формы волн

Минимальное значение регулятора высоты тона (PITCH)
ПОДРОБНЕЕ на САЙТЕ https://shedsynth.wordpress.com/drum-b/
|
| |
|
|
| Molier | Дата: Вторник, 10.02.2026, 11:01 | Сообщение # 7 |
|
Генерал-лейтенант
Группа: Администраторы
Сообщений: 622
Статус: Offline
| Идеи и переосмысления… Некоторые значения компонентов выбираются при проверке, в частности, конденсатор C4 и резистор R7 в цепи затухания . В действительности было обнаружено, что один канал звучит гораздо активнее, чем другие, и при определенных настройках ручки PITCH он имеет тенденцию звучать слишком долго для типичных ритмических рисунков. Выходной сигнал может быть значительно ниже частотной характеристики моих динамиков, поэтому может представлять собой очень мощный субзвуковой сигнал. Будьте осторожны.
На фотографиях передней панели видны красные метки — направляющие линии для рукописного текста, нарисованные водорастворимой ручкой. Обычно они смываются, не оставляя следов, но для этого модуля я экспериментировал с новым материалом для передней панели — алюминиевой печатной платой от JLCPCB . Оказалось, что на поверхности, казалось бы, необработанного алюминия, навсегда остаются следы водорастворимых чернил, которые я использовал.
Этот модуль также может запускаться прямоугольными звуковыми волнами, что позволяет создавать очень интересные эффекты синхронизации с генератором управляемого напряжения (VCO).
Меня спросили, повлияет ли изменение уровня импульса TRIG на звучание барабанов. Барабаны отлично воспроизводят звук от 5-вольтового TRIG- входа: сначала раздается щелчок, а затем тон постепенно затухает. Если входное напряжение TRIG уменьшить до 2 В, будет слышен более мягкий звук атаки. Однако, при напряжении 2 В и 5 В разница между двумя звуками невелика, а при напряжении выше 5 В изменений практически нет.
После использования этого модуля в течение нескольких недель стало ясно, что время сустейна слишком велико, особенно на втором канале, который при определенных настройках высоты тона звучал до одной секунды и напоминал измененную по высоте ноту. Время сустейна устанавливается конденсатором C4 и резистором R7 в схеме и ранее было выбрано для первого канала и продублировано для всех. Резистор R7 теперь заменен потенциометром с предустановкой на 1 МОм (вертикальный, 6 мм), так что каждый канал можно сбалансировать так, чтобы он звучал около 200 мс, что гораздо больше напоминает барабанный звук.
Пайка разъемов между платами была бы намного проще с использованием однорядных штыревых разъемов. 15-контактный разъем идеально помещается на перфорированной плате шириной 40 мм.
ИСТОЧНИК
|
| |
|
|
| Molier | Дата: Вторник, 10.02.2026, 11:02 | Сообщение # 8 |
|
Генерал-лейтенант
Группа: Администраторы
Сообщений: 622
Статус: Offline
| ВИДЕО
СМОТРЕТЬ ТУТ
https://youtu.be/i6bu4im__iQ?si=Z_4sDzCgk9H0f82g
|
| |
|
|
|