Понедельник
09.02.2026
21:05
Поиск
Вход на сайт
Статистика

Top.Mail.Ru
Друзья сайта
Flag Counter
Теги
чертежи дерево сделай сам журнал сам интересно Домашняя Лаборатория 2007 CD4049 электроника Delay NE555 судомоделизм примочки гитара 555 Amp LM386 программы усилитель VerifiedGRECHA блок питания схемы Парусник Мастерок генератор синтезатор JFET электрогитара эффекты комбик педали boss Tremolo distortion preamp ibanez Verified MXR Pedal boost overdrive Pedals Lovepedal fuzz DOD COLORSOUND bass Compressor TL072
Коллекция работ и идей. Всё своими руками.
[ Обновленные темы · Новые сообщения · Участники · Правила форума · Поиск · RSS ]
  • Страница 1 из 1
  • 1
К561КТ3 (CD4066A)
MolierДата: Четверг, 01.01.2026, 18:44 | Сообщение # 1
Генерал-лейтенант
Группа: Администраторы
Сообщений: 552
Репутация: 0
Статус: Online
К561КТ3 (CD4066A)

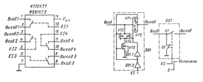
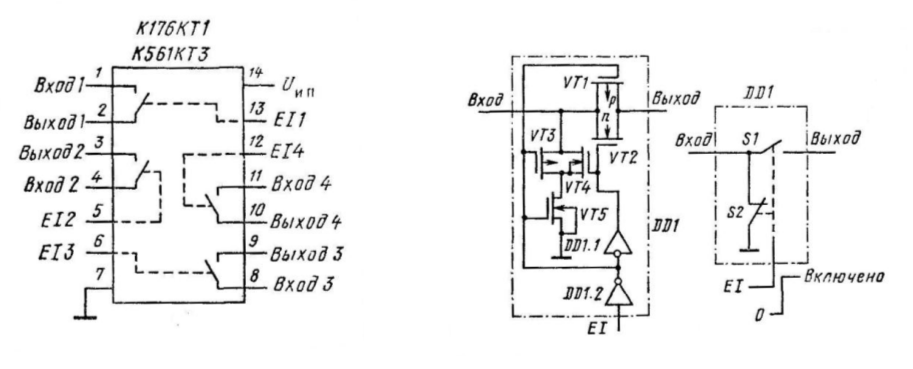
Микросхема К561КТ3 ( CD4066A ) — это четырехканальный коммутатор цифровых и аналоговых сигналов. Каждый ключ имеет вход и выход сигнала, а также вход разрешения прохождення сигнала EI. В К561КТ3 ( CD4066A ) — ключ двойной, оппозитный: когда проходной канал разомкнут, вход заземляется, если канал замкнут, то вход его отмыкается от нуля напряжения. Управляются оба «контакта» также от одного входа EI. Активный уровень на входе EI, замыкающий канал,для К561КТ3 ( CD4066A ) — высокий.

Канал проводимости в коммутаторах К561КТ3( CD4066A ) двунаправленный. Канал пропустит цифровые уровни с амплитудой до Uи.п, либо аналоговые с амплитудой (от пика до пика) до Uи.п/2. При нагрузке 10 кОм на частоте 10 кГц отношение сигналов на выходе канала в замкнутом и разомкнутом состояниях не хуже 65дБ. Степень изоляции управляющей цепи EI от канала соответствует сопротивлению 1012 Ом. Прохождение сигнала с частотой 900 кГц (при нагрузке 1 кОм) из канала в канал оценивается величиной — 50 дБ.

Коммутатор К561КТ3 ( CD4066A ) имеет существенно меньшее сопротивление включенного канала чем у К176КТ1. Двойной контакт в ключе нейтрализует влияние переходного процесса изменения сопротивлении канала при его замыкании. Однако этот коммутатор нельзя применять в аналоговых схемах мгновенной памяти (схемах выборки-хранения). Кроме того, в ряде случаев потребуется установить последовательный резистор ограничения тока, стекающего от источника сигнала через входной вывод (1, 4, 8 или 11) на землю, чтобы обезопасить ключ, параллельный источнику сигнала. Для коммутатора К561КТ3 ( CD4066A ): сопротивление включенного канала — 80 Ом (согласование между каналами с точностью +5 Ом), сопротивление входа управления — 1012 Ом.

Зарубежным аналогом микросхемы К561КТ3 является микросхема CD4066A.

К561КТ3 - технические данные

Напряжение питания..........3-15 В
Ток потребления при напряжении питания 10 В.........0,2 мА
Максимальный выходной ток при напряжении питания 10 В........1 мА
Ток утечки закрытого канала........0,2 мкА
Время задержки распространения.........25 нс
Количество каналов..........4
Температура окружающей среды.........-45...+85оС
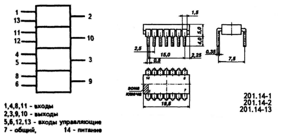
Корпус микросхемы...............201.14-1

Прикрепления: 8835627.jpg (6.5 Kb)
 
MolierДата: Четверг, 01.01.2026, 18:47 | Сообщение # 2
Генерал-лейтенант
Группа: Администраторы
Сообщений: 552
Репутация: 0
Статус: Online
 ДАТАШИТ
Прикрепления: 7488219.jpg (1.0 Kb) · micro_k561kt3.pdf (224.4 Kb)
 
MolierДата: Четверг, 01.01.2026, 18:49 | Сообщение # 3
Генерал-лейтенант
Группа: Администраторы
Сообщений: 552
Репутация: 0
Статус: Online


Прикрепления: 1514023.png (137.3 Kb) · 2590011.png (160.7 Kb)
 
MolierДата: Четверг, 01.01.2026, 18:52 | Сообщение # 4
Генерал-лейтенант
Группа: Администраторы
Сообщений: 552
Репутация: 0
Статус: Online
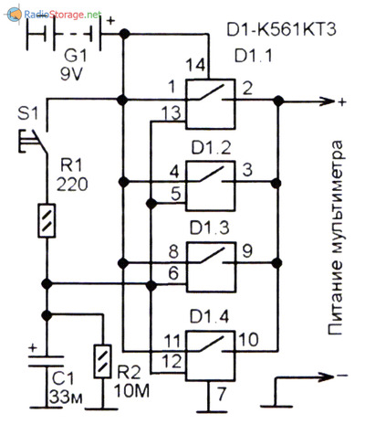
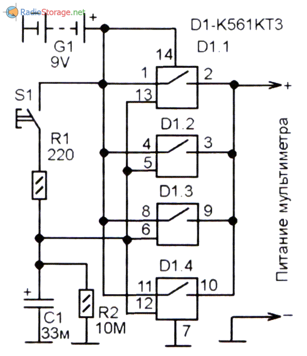
Автоматический выключатель питания для мультиметра

Эта простая схема предназначена для автоматического выключения мультиметра. которым уже не пользуются. Схема представляет собой электронный ключ на основе микросхемы К561КТ3.

Данная микросхема содержит четыре ключа, которые могут коммутировать как цифровые, так и аналоговые сигналы. Для увеличения выходной мощности эти ключи включены параллельно.

Напряжение питания от батареи G1 поступает на цепь питания данной микросхемы и на входы ключей. Впрочем, у них нет разницы между входом и выходом.

Ключи открываются, когда поступает напряжение логической единицы на их управляющие входы, в данном случае, это выводы 13. 5, 6. 12


Рис. 1. Схема автоматического выключателя питания 9 Вольт для мультиметра (К561КТ3).

В выключенном состоянии конденсатор С1 разряжен. И напряжение на управляющих входах нулевое. Ключи закрыты, питание на мультиметр не поступает.

Если нажать на кнопку S1, то через её контакты и резистор R1 поступит напряжение на конденсатор С1 и он зарядится до напряжения источника питания.

Так как с этого конденсатора напряжение поступает на управляющие входы ключей, они открываются, и питание поступает на мультиметр.

После отпускания кнопки S1 конденсатор С1 начинает разряжаться через резистор R2. На самом деле, разряд скорее происходит не через этот резистор, а через ток утечки конденсатора.

В принципе, резистора R2 могло бы и не быть, но он нужен все-таки для стабилизации работы схемы. По мере разряда С1 напряжение на управляющих входах ключей снижается, и в какой-то момент проходит порог логического нуля. При этом ключи закрываются и питание мультиметра выключается. Время работы зависит от емкости С1 и его тока утечки.


Горчук Н. В. РК-04-2019.
ИСТОЧНИК https://radiostorage.net/5436-av....ra.html
Прикрепления: 1248780.png (64.9 Kb)
 
MolierДата: Четверг, 01.01.2026, 19:03 | Сообщение # 5
Генерал-лейтенант
Группа: Администраторы
Сообщений: 552
Репутация: 0
Статус: Online






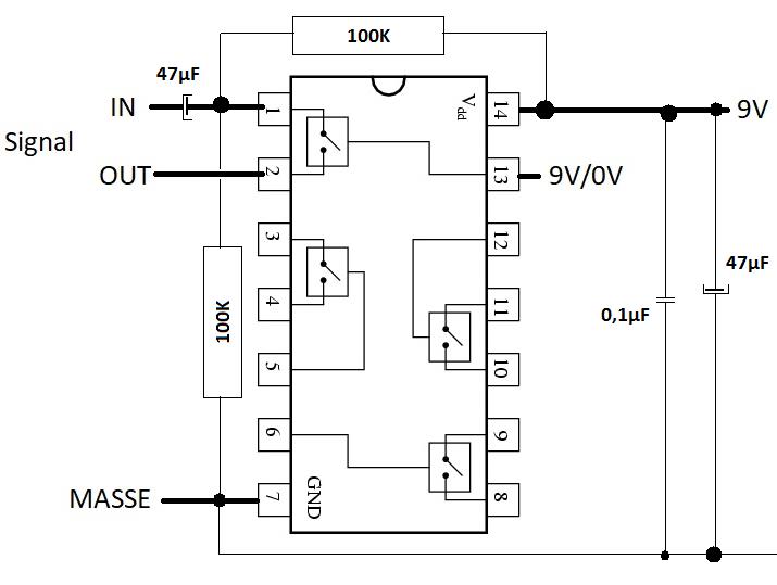
схемы с форума https://forums.futura-sciences.com/electro....re.html
Прикрепления: 0765970.png (4.8 Kb) · 0637705.png (12.9 Kb) · 1572864.jpg (34.9 Kb)
 
MolierДата: Пятница, 02.01.2026, 10:23 | Сообщение # 6
Генерал-лейтенант
Группа: Администраторы
Сообщений: 552
Репутация: 0
Статус: Online


СКАЧАТЬ
Прикрепления: 9208222.png (238.3 Kb) · k561kt3.pdf (351.2 Kb)
 
MolierДата: Пятница, 02.01.2026, 10:54 | Сообщение # 7
Генерал-лейтенант
Группа: Администраторы
Сообщений: 552
Репутация: 0
Статус: Online
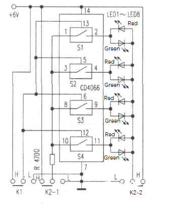
КМОП-схемы четырехканального аналогового переключателя CD4066



ПЕРЕЙТИ

https://www.eleccircuit.com/cd4066-quad-analog-switch-circuit/
Прикрепления: 8967789.png (26.9 Kb)
 
MolierДата: Пятница, 02.01.2026, 11:01 | Сообщение # 8
Генерал-лейтенант
Группа: Администраторы
Сообщений: 552
Репутация: 0
Статус: Online
Типовая схема применения CD4066


ПЕРЕЙТИ

https://www.kynix.com/components/cd4066-typical-application-circuit.html#i-test-circuit-of-cd4066
Прикрепления: 0721478.jpg (77.3 Kb)
 
MolierДата: Пятница, 02.01.2026, 11:37 | Сообщение # 9
Генерал-лейтенант
Группа: Администраторы
Сообщений: 552
Репутация: 0
Статус: Online
Как подключить и использовать микросхему IC 4066


ПЕРЕЙТИ

https://www.homemade-circuits.com/how-to-connect-ic-4066-in-a-circuit/
Прикрепления: 7844790.jpg (30.1 Kb)
 
  • Страница 1 из 1
  • 1
Поиск: