Вторник
10.02.2026
03:12
Категории раздела
Интересные идеи [33]
Guitar effects pedals [43]
Электроника [51]
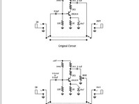
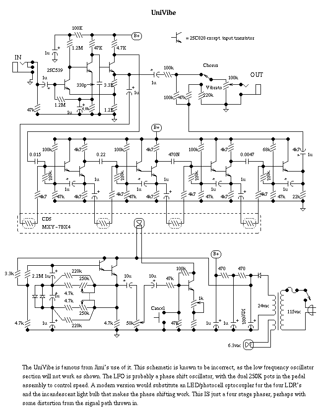
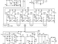
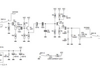
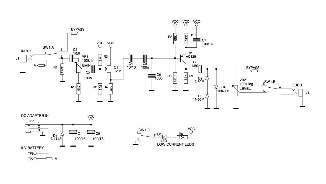
Схемы [232]
Схемы макетные, veroboard и др. [75]
Поделки из дерева [11]
Судомоделизм [36]
Креатив [117]
Мои фотографии [58]
Datasheet [6]
Разное [15]
Поиск
Вход на сайт
Статистика

Top.Mail.Ru
Друзья сайта
Flag Counter
Теги
чертежи дерево сделай сам журнал сам интересно Домашняя Лаборатория 2007 CD4049 электроника Delay NE555 судомоделизм примочки гитара 555 Amp LM386 программы усилитель VerifiedGRECHA блок питания схемы Парусник Мастерок генератор синтезатор JFET электрогитара эффекты комбик педали boss Tremolo distortion preamp ibanez Verified MXR Pedal boost overdrive Pedals Lovepedal fuzz DOD COLORSOUND bass Compressor TL072
Коллекция работ и идей. Всё своими руками.
Фотографий в разделе: 232
Страницы: « 1 2 ... 11 12 13 14 15 ... 19 20 »