Суббота
23.05.2026
16:48
Категории раздела
Интересные идеи [33]
Guitar effects pedals [43]
Электроника [63]
Схемы [254]
Схемы макетные, veroboard и др. [75]
Поделки из дерева [11]
Судомоделизм [36]
Креатив [117]
Мои фотографии [60]
Datasheet [7]
Разное [15]
Поиск
Вход на сайт
Статистика

Top.Mail.Ru
Друзья сайта
Flag Counter
Теги
чертежи дерево журнал сам Домашняя Лаборатория 2007 электроника Delay NE555 CD4017 микшер судомоделизм примочки гитара 555 Amp LM386 DIY усилитель VerifiedGRECHA блок питания схемы Парусник Мастерок генератор синтезатор БП JFET VCO CD40106 LFO электрогитара эффекты педали boss Sequencer Tremolo distortion preamp секвенсор Verified boost overdrive Pedals fuzz COLORSOUND Compressor Mixer TL072 drum
Коллекция работ и идей. Всё своими руками.

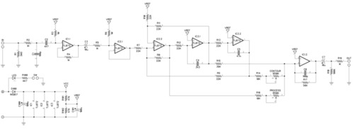
BBW Sonic Stomp

BBW — это педаль, вдохновлённая BBE Sonic Stomp. Она оснащена тремя регуляторами: Contour, Process и Volume. Регулятор Contour позволяет формировать тембр, регулируя частотную характеристику. Регулятор Process регулирует степень обработки сигнала, позволяя вам установить желаемый уровень улучшения. Регулятор Volume регулирует общий выходной уровень педали.

https://stompboxschematics.com/circuits/bbw-by-pedalpcb/
В реальном размере 1207x442 / 81.0Kb
17 0 5.0

Добавлено 18.10.2025 Molier

Добавлять комментарии могут только зарегистрированные пользователи.
[ Регистрация | Вход ]