Вторник
30.12.2025
10:43
Главная страница
Информация о сайте
Каталог файлов
Каталог статей
Гостевая книга
Каталог сайтов
Фотоальбомы
Блог
Форум
Видео
Категории раздела
Интересные идеи
[33]
Guitar effects pedals
[43]
Электроника
[30]
Схемы
[192]
Схемы макетные, veroboard и др.
[75]
Поделки из дерева
[11]
Судомоделизм
[36]
Креатив
[117]
Мои фотографии
[54]
Datasheet
[6]
Разное
[14]
Поиск
Вход на сайт
Статистика
Друзья сайта
Новости uCoz
Официальный чат сообщества uCoz
База знаний uCoz
ОНЛАЙН - Photopea
Много про100 полезных программ
GRECHA официальный сайт
Теги
чертежи
дерево
сделай сам
журнал
сам
арт
держатель
интересно
Домашняя Лаборатория
2007
CD4049
электроника
радио
примочки. гитара
Delay
судомоделизм
примочки
гитара
555
Amp
LM386
программы
Chorus
усилитель
схемы
Парусник
Мастерок
горизонт
электрогитара
эффекты
комбик
педали
boss
Tremolo
distortion
preamp
Verified
MXR
Pedal
Electro Harmonix
boost
overdrive
Pedals
Lovepedal
fuzz
DOD
Zvex
COLORSOUND
bass
Compressor
Приветствуем вас
Гость
|
RSS
Главная
|
Регистрация
|
Вход
Коллекция работ и идей. Всё своими руками.
Главная
»
Фотоальбом
»
Схемы
»
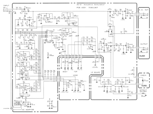
Boss AC-2
Boss AC-2
В реальном размере
1600x1197
/ 283.1Kb
3
0
0.0
1
2
3
4
5
Добавлено 12.12.2025
Molier
Добавлять комментарии могут только зарегистрированные пользователи.
[
Регистрация
|
Вход
]
Copyright MyCorp © 2025
Бесплатный хостинг
uCoz