Суббота
23.05.2026
16:50
Категории раздела
Интересные идеи [33]
Guitar effects pedals [43]
Электроника [63]
Схемы [254]
Схемы макетные, veroboard и др. [75]
Поделки из дерева [11]
Судомоделизм [36]
Креатив [117]
Мои фотографии [60]
Datasheet [7]
Разное [15]
Поиск
Вход на сайт
Статистика

Top.Mail.Ru
Друзья сайта
Flag Counter
Теги
чертежи дерево журнал сам Домашняя Лаборатория 2007 электроника Delay NE555 CD4017 микшер судомоделизм примочки гитара 555 Amp LM386 DIY усилитель VerifiedGRECHA блок питания схемы Парусник Мастерок генератор синтезатор БП JFET VCO CD40106 LFO электрогитара эффекты педали boss Sequencer Tremolo distortion preamp секвенсор Verified boost overdrive Pedals fuzz COLORSOUND Compressor Mixer TL072 drum
Коллекция работ и идей. Всё своими руками.

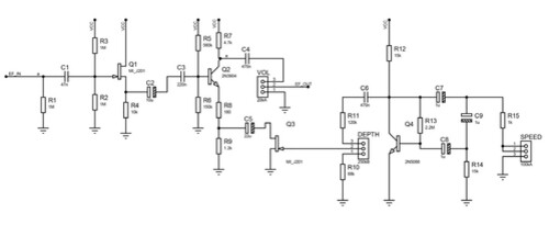
EPK Tremolo

Эта версия EA Tremolo основана на оригинальной схеме с добавлением некоторых модификаций. Эта педаль эффектов — великолепно звучащее тремоло, и, несмотря на относительную простоту схемы, EA Tremolo звучит очень
тепло и приятно на слух. Если вы ищете более радикальное
звучание тремоло, вам стоит обратить внимание на комплект Pulsar Tremolo.
Поскольку в нём нет оптрона, EA Tremolo довольно
легко собрать. LFO генерирует очень округлую волну модуляции, и именно поэтому EA Tremolo звучит так естественно.
Педаль эффектов EA Tremolo имеет потенциометр Speed, который устанавливает
частоту LFO, и ручку Depth для регулировки интенсивности
тремоло. Но, помимо использования в качестве тремоло, EA Tremolo также можно использовать
как усилитель: ручка громкости устанавливает выходную громкость педали
и позволяет немного увеличить громкость без использования усилителя
педали.
В реальном размере 1159x499 / 58.9Kb
35 0 5.0

Добавлено 16.10.2025 Molier

Добавлять комментарии могут только зарегистрированные пользователи.
[ Регистрация | Вход ]