Понедельник
13.04.2026
03:49
Категории раздела
Интересные идеи [33]
Guitar effects pedals [43]
Электроника [62]
Схемы [253]
Схемы макетные, veroboard и др. [75]
Поделки из дерева [11]
Судомоделизм [36]
Креатив [117]
Мои фотографии [60]
Datasheet [7]
Разное [15]
Поиск
Вход на сайт
Статистика

Top.Mail.Ru
Друзья сайта
Flag Counter
Теги
чертежи дерево журнал сам Домашняя Лаборатория 2007 электроника Delay NE555 CD4017 микшер судомоделизм примочки гитара 555 Amp LM386 DIY усилитель VerifiedGRECHA блок питания схемы Парусник Мастерок генератор синтезатор БП JFET VCO CD40106 LFO электрогитара эффекты педали boss Sequencer Tremolo distortion preamp секвенсор Verified boost overdrive Pedals fuzz COLORSOUND bass Compressor TL072 drum
Коллекция работ и идей. Всё своими руками.

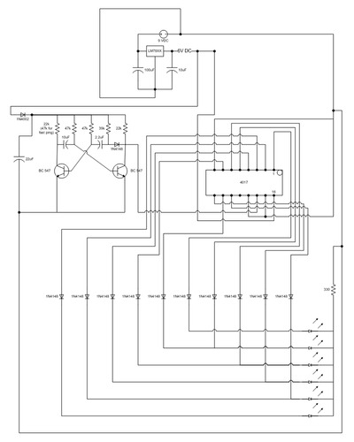
K.I.T.T.

В реальном размере 800x1000 / 35.8Kb
5 0 0.0

Добавлено 22.03.2026 Molier

Добавлять комментарии могут только зарегистрированные пользователи.
[ Регистрация | Вход ]