Понедельник
09.02.2026
16:22
Категории раздела
Интересные идеи [33]
Guitar effects pedals [43]
Электроника [51]
Схемы [232]
Схемы макетные, veroboard и др. [75]
Поделки из дерева [11]
Судомоделизм [36]
Креатив [117]
Мои фотографии [58]
Datasheet [6]
Разное [15]
Поиск
Вход на сайт
Статистика

Top.Mail.Ru
Друзья сайта
Flag Counter
Теги
чертежи дерево сделай сам журнал сам интересно Домашняя Лаборатория 2007 CD4049 электроника Delay NE555 судомоделизм примочки гитара 555 Amp LM386 программы усилитель VerifiedGRECHA блок питания схемы Парусник Мастерок генератор синтезатор JFET электрогитара эффекты комбик педали boss Tremolo distortion preamp ibanez Verified MXR Pedal boost overdrive Pedals Lovepedal fuzz DOD COLORSOUND bass Compressor TL072
Коллекция работ и идей. Всё своими руками.

Lovepedal Eternity

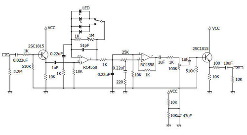
最近自作の定番となっている機種のようで、ネットで調べると色々アレンジされた物まで掲載されている。
下に回路図を示すが、エタニティーと異なるのは初段と最終段にトランジスタによるバッファが入っていることです。バッファにより入力をハイインピーダンス出力ローインピーダンスにすることができます。
この他は初段のアンプや次段のトーンコントロール部の定数が色々異なるだけで基本的には同じ回路です。

ИСТОЧНИК - http://champ.chips.jp/sonota2/Eternity01.html
В реальном размере 766x418 / 41.3Kb
12 0 5.0

Добавлено 29.09.2025 Molier

Добавлять комментарии могут только зарегистрированные пользователи.
[ Регистрация | Вход ]