16-шаговый секвенсор (+/-9 В до +/-15 В)
Рэй Уилсон создал этот контент, будучи основателем и идейным вдохновителем MFOS.
Мы сохраняем этот контент, потому что он отражает ценную точку зрения, характерную для того времени и места.
Статья Рэя Уилсона
Это проект среднего и продвинутого уровня, и я не рекомендую его в качестве первого проекта, если вы только начинаете заниматься синтезаторами или электроникой. Здесь показана только схема и некоторые пояснения. Предполагается наличие большого опыта в сборке проекта, поиске и устранении неисправностей, а также в работе с электроникой. Кроме того, наличие собственного электронного оборудования (осциллограф, измерительные приборы и т. д.) также подразумевается. Если вы заинтересованы в сборке этого проекта, пожалуйста, прочтите всю страницу, прежде чем заказывать печатные платы, чтобы убедиться, что предоставленная информация достаточно подробна для успешного завершения проекта.
Томас Уайт использовал платы секвенсора MFOS для создания этого невероятного роторного секвенсора.

Посетите его сайт , чтобы следить за его последними потрясающими проектами.

Функции
-Улучшенная печатная плата (гораздо меньше кустарных работ)
-Создает последовательности длиной от 4 до 16 шагов.
-Включает в себя следующие режимы: остановка по счету, реверс по счету,
сброс по счету и режим случайного числа 16.
-Каждый этап имеет грубую и точную настройку, а также переключаемый затвор.
-Принимает внешний тактовый сигнал и внешний пусковой импульс.
-Одновременный вывод с портаменто и без него.
-Элементы управления «Вперед», «Назад» и «Сброс» упрощают настройку последовательности.
-Примерное потребление тока: +12 В (21,7 мА) -12 В (10,5 мА)
Введение
Основная идея секвенсора заключается в обеспечении автоматического последовательного переключения ряда регулируемых напряжений для управления генератором управляемого напряжением (VCO) (или любым другим устройством, управляемым напряжением). Кроме того, сигналы гейта и триггера генерируются в момент переключения выходного сигнала схемы на новое напряжение. Обычно секвенсор используется для управления частотой осциллятора (или нескольких осцилляторов) для создания повторяющихся тональных паттернов или арпеджио, которые дополнительно улучшаются за счет фильтрации, модуляции, добавления напряжения клавиатуры и т. д. Секвенсоры часто используются в электронной музыке. Этот секвенсор может создавать последовательность от 4 до 16 нот. Кроме того, этот секвенсор обеспечивает только прямое движение, прямое и обратное движение, а также уникальную возможность случайного секвенирования. Сигнал гейта/триггера может быть включен или выключен на каждом шаге (с помощью переключателя), и каждый шаг имеет грубую и точную регулировку напряжения. Для этого секвенсора требуется две печатные платы (если вы не разработаете свою собственную), и я предлагаю обе для продажи. Цифровая плата управляет секвенсором, а аналоговая плата переключает управляющее напряжение с каждого набора потенциометров грубой и точной регулировки на выход. Вы можете запускать и останавливать секвенсор, сбрасывать его, а также переходить вперед и/или назад для настройки или ручного прохождения последовательности.
Схема 16-шагового секвенсора, страница 1, PDF

На странице 1 показана секция тактирования и подсчета схемы. Эта часть схемы управляет ручным и автоматическим пошаговым управлением секвенсором. Микросхема U4 ведет счет вверх, когда на ее вход UP подается положительный фронт, а вход DN удерживается в высоком состоянии. И наоборот, она ведет счет вниз, когда на ее вход DN подается положительный фронт, а вход UP удерживается в высоком состоянии. Если вход LD подается в низкое состояние, выходы U4 (QA–QD) следуют за данными на входах нагрузки (DA–DD). Когда секвенсор не находится в режиме случайного выбора, вход LD удерживается в высоком состоянии через резистор R12, подключенный к +12 В. Высокий уровень на входе CL микросхемы U4 приводит к сбросу счетчика до нуля.
S1 и связанные с ним компоненты (R1, C2, C1, R2, R3 и U1-A) образуют устройство подавления дребезга контактов/импульсный генератор низкого уровня. При нажатии S1 на выходе U1-A появляется чистый импульс низкого уровня длительностью около 1–2 мс. Аналогичным образом, S2 и связанные с ним компоненты, а также S4 и связанные с ним компоненты образуют устройства подавления дребезга контактов/импульсные генераторы низкого уровня. S3 и связанные с ним компоненты работают противоположным образом по сравнению с S1, S2 и S4: при нажатии S3 на выводе 6 U2-C появляется чистый положительный импульс. S3 используется исключительно для сброса счетчика U4.
Тактовый генератор (генератор прямоугольных импульсов) для секвенсора состоит из микросхемы U1-D, конденсатора C10, резистора R23, резистора R18 и резистора R19 (регулятор тактовой частоты). Он работает, когда выход Q микросхемы U3-A находится в низком состоянии, тем самым обеспечивая обратное смещение диода D9. Поскольку U1-D является инвертором Шмидта, его можно заставить генерировать колебания, подав его выходной сигнал обратно на вход через резистор и подключив конденсатор к его входу. Когда выходной сигнал высокий, он заряжает конденсатор C10 через резисторы R19, R18 и R23, соединенные последовательно, до достижения его верхнего порогового значения, после чего его выходной сигнал мгновенно переходит в низкое состояние, а конденсатор C10 разряжается по тому же пути до достижения нижнего порогового значения U1-D, после чего его выходной сигнал мгновенно переходит в высокое состояние, и цикл начинается заново. Цель изменений значений, необходимых для модификации тактового входа, состоит в повышении импеданса внешнего тактового входного узла, чтобы внешние источники с выходным импедансом до 1 кОм могли надежно тактировать секвенсор. Предполагается наличие чистого прямоугольного источника тактового сигнала, колеблющегося между землей и +V. Если используется внешний источник тактового сигнала с отрицательными колебаниями напряжения, то между входным разъемом и выводом 9 микросхемы U1-D необходимо установить диод. Анод диода подключается к плюсовому контакту разъема, а катод — к выводу 9 микросхемы U1-D.
Если выход Q микросхемы U3-A находится в высоком состоянии, тактирование останавливается (поскольку конденсатор C10 удерживается полностью заряженным через диод D9), и её выход (вывод 8 микросхемы U1-D) принудительно устанавливается в низкое состояние. Нажатие S4 переключает состояние выхода Q микросхемы U3-A, поскольку U3-A подключена как счётчик с делителем на два. Таким образом, вы можете запустить или остановить тактирование, нажав S4.
Тактовый сигнал подается на входы U1-F и U1-E через резисторы R10 и R11 сопротивлением 10 кОм соответственно. Диоды D4 и D5 используются (совместно с U3-B) для управления тем, какой из этих инверторов передает тактовый сигнал.
Микросхема U3-B используется для управления направлением счета микросхемы U4. Когда тактовый сигнал поступает и вывод Q микросхемы U3-B находится в высоком состоянии (и, соответственно, вывод NOT-Q находится в низком состоянии), тактовые импульсы могут распространяться через микросхему U1-F, но не проходят через микросхему U1-E, поскольку вывод 11 микросхемы U1-E подтянут к низкому уровню через диод D8.
Когда тактовый сигнал запущен и вывод Q микросхемы U3-B находится в низком состоянии (и, соответственно, вывод NOT-Q находится в высоком состоянии), тактовые импульсы могут распространяться через U1-E, но не проходят через U1-F, поскольку вывод 13 микросхемы U1-F подтянут к низкому уровню через диод D4.
В процессе работы линии установки и сброса U3-B подают соответствующие импульсы для управления направлением счета.
Обратите внимание, что аноды D5 и D1 подключены к входу U2-F (вывод 13). Если вывод 2 U1-A или вывод 12 U1-F переходят в низкое состояние, то вывод 13 U2-F подтягивается к низкому уровню (через D1 или D5 соответственно). Когда оба вывода 2 U1-A и вывод 12 U1-F находятся в высоком состоянии, вывод 13 U2-F удерживается в высоком состоянии через R4 (47 кОм до +12 В). Таким образом, нажатие S1 или переход из низкого состояния в высокое на выводе 12 U1-F может привести к увеличению счета U4. Также обратите внимание, что вывод 10 U2-E следует за состоянием входа U2-F (вывод 13).
Обратите внимание, что аноды D2 и D6 подключены к входу U2-A (вывод 1). Если вывод 4 U1-B или вывод 10 U1-E переходят в низкое состояние, то вывод 1 U2-A подтягивается к низкому уровню (через D2 или D6 соответственно). Когда оба вывода 4 U1-B или вывод 10 U1-E находятся в высоком состоянии, вывод 1 U2-A удерживается в высоком состоянии через R8 (47 кОм к +12 В). Таким образом, нажатие S2 или переход вывода 10 U1-E из низкого состояния в высокое может привести к обратному отсчету U4. Также обратите внимание, что вывод 4 U2-B следует за состоянием входа U2-A (вывод 1).
Обычно входы UP и DN микросхемы U4 удерживаются в высоком состоянии. Переходы от низкого уровня к высокому используются либо на входе UP, либо на входе DN (при этом противоположный вход удерживается в высоком состоянии) для тактирования в любом направлении. Когда секвенсор работает (т.е. вход Q микросхемы U3-A находится в высоком состоянии, и ни кнопка "Step Up", ни кнопка "Step Down" не нажаты), и выход Q микросхемы U3-B находится в высоком состоянии (счет идет вверх), вход тактового сигнала DN микросхемы U4 (контакт 4) удерживается в высоком состоянии (как объяснено выше). Таким образом, счетчик продолжает отсчет. Это продолжается до тех пор, пока не будет достигнуто значение, соответствующее положению переключателя S9 (селектор SP12T).
Обратите внимание, что микросхема U5 CD4514 (4-разрядный защелкивающий/4-16-линейный декодер) управляется счетчиком (U4). Выход, соответствующий текущим выходам QA-QD счетчика (один из S-0–S-15), находится в высоком состоянии, а все остальные — в низком. Выходы U5 S-4–S-15 подключены к полюсам S9 (S-4 к 1, S-5 к 2, S-6 к 3, S-15 к 12). Это позволяет сбрасывать или инвертировать последовательность на заданном шаге. Общий полюс S9 управляется переключателями S12, S15 и S16 и подключается к:
Ничего (выбрана случайная последовательность из 16 или 16 шагов)
REV (Обратный отсчет при достижении выбранного шага)
CLR (Обнуление (или сброс) счетчика при достижении выбранного шага)
Обратите внимание, что всякий раз, когда выход S-0 микросхемы U5 переходит в высокое состояние, микросхема U3-B устанавливается в состояние (счетчик начинает увеличиваться). Это необходимо для того, чтобы счетчик начинал увеличиваться всякий раз, когда достигается нулевое значение.
Таким образом, если секвенсор находится в режиме «Реверс при счете», он будет считать до шага, установленного на S9, а затем изменит направление и начнет обратный счет до 0. Это происходит потому, что высокий уровень, наблюдаемый на соединении REV, используется для переключения U3-B в состояние, которое приводит к обратному счету (Q U3-B находится в низком состоянии, а NOT-Q U3-B — в высоком). Когда достигается 0, направление счета снова устанавливается на увеличение. Этот цикл продолжается, пока секвенсор считает вверх и вниз, до тех пор, пока не будет изменен режим или не будет остановлен тактовый сигнал.
Если секвенсор находится в режиме "Сброс по счетчику", он будет считать до шага, установленного на S9, а затем обнулит счетчик. Секвенсор будет продолжать считать от нуля до сброса, пока режим не будет изменен или тактовый генератор не будет остановлен.
Режим «16-шаговая последовательность» позволяет секвенсору повторять все 16 шагов до тех пор, пока режим не будет изменен или тактовый генератор не будет остановлен.
В режиме "Случайные 16" счетчик принимает значение, указанное на выходах 8-канального сдвигового регистра/защелки U8 CD4094. Описание работы случайного счетчика приведено ниже.
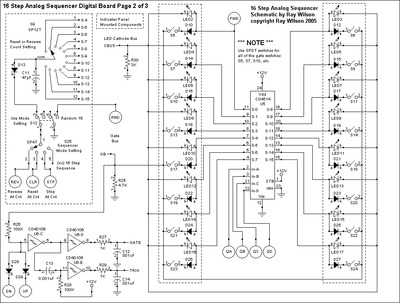
Схема 16-шагового секвенсора, страница 2, PDF

Как объяснено выше, 16 выходов U5 переходят в высокое состояние в соответствии с текущим числом (от 0 до 15) на выходах U4 (QA–QD). Они используются для питания светодиода, соответствующего номеру текущего шага. Этот светодиод показывает, какой набор потенциометров грубой/точной регулировки является активным. Кроме того, каждый выход (S0–S15) подключен к переключателю и аноду диода, который используется для управления тем, на каких шагах формируются выходы затвора/триггера. По сути, выходы U5 замыкаются тактовым сигналом, если переключатель для определенного шага замкнут. Я рекомендую использовать переключатели SPDT (даже если на схеме показаны SPST), чтобы упростить монтаж на панели, как показано на схеме подключения панели. Обратите внимание, что D13 и C11 включены в схему подключения панели и не показаны на печатной плате. Все светодиоды, переключатели и диоды, подключенные к выходам U5, также являются частью схемы подключения панели.
Шина Gate Bus (GB) не показана на печатной плате. Подробности о том, куда подключать шину GB, описаны ниже в разделе компоновки компонентов печатной платы.
Схема 16-шагового секвенсора, страница 3, PDF

Это самый простой способ, который я смог придумать для генерации случайных двоичных чисел. Они действительно случайны, потому что основаны на белом шуме, а не на каком-либо повторяющемся шаблоне. Можете смело использовать эту схему в своем суперкомпьютере. По сути, белый шум генерируется транзистором Q1 и усиливается до цифрового уровня операционными усилителями и микросхемой U6-A. Эти шумовые данные подаются на вход сдвигового регистра, который постоянно тактируется колебательным выходом микросхемы U6-B. Таким образом, случайные единицы и нули постоянно проходят через внутреннюю цепочку триггеров сдвигового регистра. Положительный импульс, соответствующий нижнему фронту тактового сигнала, подается на стробирующий вход микросхемы CD4094, что приводит к фиксации любого числа, проходящего через сдвиговый регистр, и его подаче на выходы (DA-DD). Эти выходы подключены к входам данных микросхемы U4. Когда вывод 11 микросхемы U4 удерживается в низком состоянии (выбран режим «Случайные 16»), U4 передает случайный 4-битный счетчик на U5 на каждом тактовом цикле основного сигнала, и таким образом выбираются 16 случайных шагов. Настройте шаги в соответствии с выбранной вами шкалой и выберите режим случайного выбора, чтобы услышать никогда не повторяющуюся случайную мелодию.
Схема подключения панели 16-шагового секвенсора (PDF)

Схема подключения платы 16-шагового секвенсора к панели (PDF)

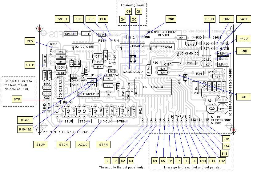
Список компонентов цифровой платы 16-шагового секвенсора
 
ИСТОЧНИК
Информация об аналоговой плате 16-шагового секвенсора
Информация на форуме сайта
=Информация об аналоговой плате 16-шагового секвенсора=
Подойдет любой из двух микросхем опорного напряжения 2,5 В.
 
Описание:
Аналоговая секция управляется микросхемой U4 (CD40193, синхронный 4-разрядный двоичный счетчик вверх/вниз) с цифровой платы. Четыре управляющие линии QA, QB, QC и QD определяют, какой из 16 входов микросхемы CD4067 (CMOS, одноканальный 16-канальный мультиплексор/демультиплексор) включен, чтобы напряжение с ползунков потенциометра грубой/точной регулировки канала подавалось на суммирующий узел (вывод 2 микросхемы U3-A) через резисторы смешивания каналов (100 кОм и 2 МОм). Микросхема U3-A работает как инвертирующий сумматор, выход которого подается на инвертирующий буфер с единичным коэффициентом усиления U3-B. Выход U3-B подается на неинвертирующие входы повторителей напряжения U1-D и U1-B, выходы которых подают сигнал на два выходных разъема CV секвенсора. Выход микросхемы U3-B также подключается к одной стороне потенциометра портаменто R51, который обеспечивает регулируемый способ плавного изменения напряжения от уровня одного канала к уровню другого. При повороте потенциометра увеличивается время плавного изменения напряжения от одного уровня к другому (время, необходимое для зарядки и разрядки конденсатора C4 0,1 мкФ), и наоборот. Выход микросхемы U1-C подается на выходной разъем CV, к которому можно применить портаменто (путем регулировки R51). Конденсаторы C2 и C3 являются шунтирующими конденсаторами источника питания.
Микросхема U1-A совместно с VS1 (LM336-2.5V — прецизионный источник опорного напряжения 2,5 В) создают источник напряжения 7,5 В, к которому подключены одна сторона всех потенциометров. Этот прецизионный источник напряжения подает очень чистое напряжение 2,5 В на неинвертирующий вход U1-A. Резистор обратной связи R25 (200 кОм) и резистор установки коэффициента усиления R26 (100 кОм) устанавливают коэффициент усиления вокруг U1-A равным 3, что и обеспечивает получение 7,5 В из опорного напряжения 2,5 В.
При подаче цифрового сигнала от 0 до 16 на входы QA-QD — И ПРИ НАХОДЕ ВСЕХ ПОТЕНЦИАЛЬНЫХ РЕГУЛЯТОРОВ ТОЧНОСТИ НА УРОВНЕ 0 — вы должны увидеть напряжение на ползунке соответствующего грубого регулятора канала на выходе U3-B плюс или минус напряжение смещения операционного усилителя, которое должно составлять несколько милливольт. Для проверки на изолированной аналоговой плате (т.е. не подключенной к выходам U4) можно подать напряжение питания (+12 В и землю) на входы QA через QD для имитации показаний. Входы, подключенные к +12 В, имитируют логический уровень единицы, а входы, подключенные к земле, имитируют логический уровень нуля. Все входы QA-QD должны быть подключены, иначе тест не сработает. Плавающие логические уровни CMOS имеют тенденцию переключаться от малейшего электромагнитного поля. Например, чтобы имитировать включение канала 0, подключите QA-QD к земле. Чтобы имитировать включение канала 5, подключите QB и QD к земле и подайте +12 В на QA и QC. Вы вводите бинарный код для канала, который хотите протестировать.
Уровень выходного CV-сигнала для любого канала должен находиться в диапазоне от 0 до примерно 7,5 В (при увеличении грубой регулировки). Точная регулировка добавит 1/20 от диапазона 7,5 В (0,375 В) к выходному сигналу при максимальном уровне, поскольку он поступает в суммирующий инвертор U3-A через резистор 2 МОм. Используйте потенциометры на 100 кОм или больше для регулировки, поскольку параллельное соединение всех потенциометров представляет собой нагрузку, воспринимаемую U1-A. С потенциометрами на 100 кОм U1-A воспринимает около 3,125 кОм, которые он способен обработать. Потенциометры с меньшим номиналом приведут к слишком низкому уровню параллельного соединения всех регулировочных потенциометров и создадут дополнительную нагрузку на работу U1-A.
===
Схема подключения панели 16-шагового секвенсора (PDF)
Рекомендуется размещать аналоговую плату рядом с потенциометрами регулировки напряжения. Помните, что к аналоговой плате от цифровой нужно подключить только четыре линии цифрового управления, поэтому их не обязательно размещать близко друг к другу. Между платой аналогового процессора напряжения и потенциометрами много проводов, поэтому чем ближе они друг к другу, тем лучше.

===
Источник: https://musicfromouterspace.com/analogsynth_new/SEQ16_2006/SEQ16_2006.php |