Микросхема К561ТМ2
Микросхема К561ТМ2 содержит два D-триггера, имеющих по два асинхронных установочных входа S и R соответственно для установки триггеров в состояние логической 1 и сброса информации. Микросхема К561ТМ2 изготавливается на основе КМОП-технологии и выпускается в пластмассовом корпусе.

Цоколевка К561ТМ2
Напряжение питания подается на вывод 14, общий провод подключается к выводу 7.
К561ТМ2 описание работы
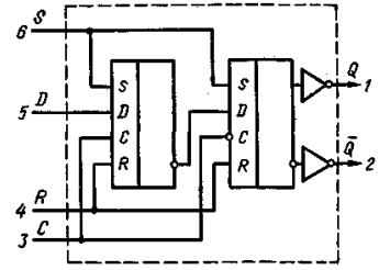
Микросхема К561ТМ2 содержит два двухтактных D-триггера. Функциональная схема D-триггера может быть представлена в виде двух однотактных D-триггеров.

Двухтактный D-триггер работает следующим образом. По фронту первого импульса синхронизации на входе C, логический уровень присутствующий на входе D, записывается в первый однотактный D-триггер. По фронту второго импульса синхронизации, на выходе Q устанавливается уровень, присутствующий на входе D перед первым синхроимпульсом. Таким образом, на выходе двухтактного D-триггера сигнал задерживается на один такт.
Входы R и S не зависят от импульсов синхронизации и имеют активные высокие уровни. Поступление высокого уровня на входы R или S устанавливают оба однотактных D-триггера соответственно в «0» или «1» независимо от входов D и C.
К561ТМ2 параметры
Ток, потребляемый микросхемой от источника питания (Uп = 15 В) - 20 мкА;
Входные токи низкого и высокого уровней - не более 0,3 мкА;
Выходное напряжение низкого уровня (Uп = 10 В) - не более 1 В;
Выходное напряжение низкого уровня (Uп = 5 В) - не более 0,8 В;
Выходное напряжение высокого уровня (Uп = 10 В) - не менее 9 В;
Выходное напряжение высокого уровня (Uп = 5 В) - не менее 4,2 В;
Выходной ток низкого уровня (Uп = 10 В) - 0,9 мА;
Выходной ток низкого уровня (Uп = 5 В) - 0,5 мА;
Выходной ток высокого уровня (Uп = 10 В) - 0,6 мА;
Выходной ток высокого уровня (Uп = 5 В) - 0,25 мА;
Время задержки распространения сигнала при включении и выключении (Uп = 5 В) - не более 420 нс;
Время задержки распространения сигнала при включении и выключении (Uп = 10 В) - не более 150 нс;
Предельный диапазон напряжений питания - от 5 до 15 В;
Температура окружающей среды - от -45 до +85 ° C.
К561ТМ2 аналог CD4013A
Источник: https://samodelkin.do.am/forum/4-80-492-16-1767352715 |