MASSBERG
LITTLE REBEL

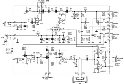
Little Rebel — небольшой усилитель, разработанный Майклом Массбергом. Он оснащён двумя усилителями LM386N, которые обеспечивают мощность 2 Вт. Усилитель специально разработан для перегруженного рок-звучания. Он совместим с любыми динамиками с минимальным импедансом 4 Ом.

Скачать материал
ПЕЧАТНАЯ ПЛАТА
Источник: http://www.guitartest.de/LITTLE%20REBEL.htm |