|
16-шаговый секвенсор (+/-9 В до +/-15 В)
|
|
| Molier | Дата: Воскресенье, 22.02.2026, 12:41 | Сообщение # 1 |
|
Генерал-лейтенант
Группа: Администраторы
Сообщений: 622
Статус: Offline
| 
|
| |
|
|
| Molier | Дата: Воскресенье, 22.02.2026, 12:46 | Сообщение # 2 |
|
Генерал-лейтенант
Группа: Администраторы
Сообщений: 622
Статус: Offline
| Рэй Уилсон создал этот контент, будучи основателем и идейным вдохновителем MFOS.
Мы сохраняем этот контент, потому что он отражает ценную точку зрения, характерную для того времени и места.
Статья Рэя Уилсона
Это проект среднего и продвинутого уровня, и я не рекомендую его в качестве первого проекта, если вы только начинаете заниматься синтезаторами или электроникой. Здесь показана только схема и некоторые пояснения. Предполагается наличие большого опыта в сборке проекта, поиске и устранении неисправностей, а также в работе с электроникой. Кроме того, наличие собственного электронного оборудования (осциллограф, измерительные приборы и т. д.) также подразумевается. Если вы заинтересованы в сборке этого проекта, пожалуйста, прочтите всю страницу, прежде чем заказывать печатные платы, чтобы убедиться, что предоставленная информация достаточно подробна для успешного завершения проекта.
Томас Уайт использовал платы секвенсора MFOS для создания этого невероятного роторного секвенсора.
 Посетите его сайт , чтобы следить за его последними потрясающими проектами.
|
| |
|
|
| Molier | Дата: Воскресенье, 22.02.2026, 12:47 | Сообщение # 3 |
|
Генерал-лейтенант
Группа: Администраторы
Сообщений: 622
Статус: Offline
| Функции -Улучшенная печатная плата (гораздо меньше кустарных работ) -Создает последовательности длиной от 4 до 16 шагов. -Включает в себя следующие режимы: остановка по счету, реверс по счету, сброс по счету и режим случайного числа 16. -Каждый этап имеет грубую и точную настройку, а также переключаемый затвор. -Принимает внешний тактовый сигнал и внешний пусковой импульс. -Одновременный вывод с портаменто и без него. -Элементы управления «Вперед», «Назад» и «Сброс» упрощают настройку последовательности. -Примерное потребление тока: +12 В (21,7 мА) -12 В (10,5 мА)
|
| |
|
|
| Molier | Дата: Воскресенье, 22.02.2026, 12:50 | Сообщение # 4 |
|
Генерал-лейтенант
Группа: Администраторы
Сообщений: 622
Статус: Offline
| СХЕМЫ

PDF

PDF

PDF
ПЕРЕЧЕНЬ КОМПОНЕНТОВ
|
| |
|
|
| Molier | Дата: Воскресенье, 22.02.2026, 12:57 | Сообщение # 5 |
|
Генерал-лейтенант
Группа: Администраторы
Сообщений: 622
Статус: Offline
| Схема подключения панели 16-шагового секвенсора PDF
|
| |
|
|
| Molier | Дата: Воскресенье, 22.02.2026, 13:01 | Сообщение # 6 |
|
Генерал-лейтенант
Группа: Администраторы
Сообщений: 622
Статус: Offline
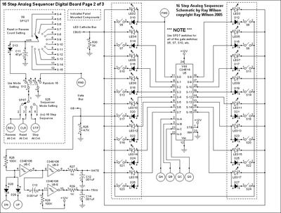
| Схема подключения платы 16-шагового секвенсора к панели PDF
|
| |
|
|
| Molier | Дата: Воскресенье, 22.02.2026, 13:16 | Сообщение # 7 |
|
Генерал-лейтенант
Группа: Администраторы
Сообщений: 622
Статус: Offline
| Схема подключения панели 16-шагового секвенсора PDF
|
| |
|
|
| Molier | Дата: Воскресенье, 22.02.2026, 13:22 | Сообщение # 8 |
|
Генерал-лейтенант
Группа: Администраторы
Сообщений: 622
Статус: Offline
| Схема подключения 16-шагового секвенсорного переключателя PDF
|
| |
|
|
| Molier | Дата: Воскресенье, 22.02.2026, 13:38 | Сообщение # 9 |
|
Генерал-лейтенант
Группа: Администраторы
Сообщений: 622
Статус: Offline
| Схема подключения платы 16-шагового секвенсора к панели PDF
 Список компонентов аналоговой платы
 PDF --
|
| |
|
|
| Molier | Дата: Воскресенье, 22.02.2026, 13:40 | Сообщение # 10 |
|
Генерал-лейтенант
Группа: Администраторы
Сообщений: 622
Статус: Offline
| Схемы расположения компонентов PDF_1 PDF_2
|
| |
|
|
| Molier | Дата: Воскресенье, 22.02.2026, 13:49 | Сообщение # 11 |
|
Генерал-лейтенант
Группа: Администраторы
Сообщений: 622
Статус: Offline
| Схемы расположения компонентов
 PDF - PDF - PDF
Наложение панелей предоставлено Джеффом Джонсоном из Техаса
Это классный цельный шаблон. Я рекомендую вам нарисовать соответствующую схему подключения, чтобы избежать ошибок при сборке, если вы выберете этот шаблон.

PDF
Наложение панелей предоставлено Джоном Ибботсоном из Великобритании
Это классный цельный шаблон. Я рекомендую вам нарисовать соответствующую схему подключения, чтобы избежать ошибок при сборке, если вы выберете этот шаблон. Этот файл предназначен для использования с Front Panel Designer.

ИСТОЧНИК
|
| |
|
|
| Molier | Дата: Воскресенье, 22.02.2026, 13:50 | Сообщение # 12 |
|
Генерал-лейтенант
Группа: Администраторы
Сообщений: 622
Статус: Offline
| Изображения печатных плат, 2 файла GIF с макетами.
К тому времени, как вы сами протравите (кстати, двусторонние) и просверлите (587 отверстий) эти платы, вы зададитесь вопросом, почему не купили у меня профессионально изготовленную, из стеклоэпоксидной смолы, с гальваническим покрытием, сквозными отверстиями, двустороннюю, с защитной паяльной маской и шелкографической маркировкой. Но дерзайте... Эти изображения X2 предоставлены для индивидуального использования, а не для массового производства или продажи.
-Алюминиевые пластины толщиной от 1/16 до 1/10 дюйма для крепления потенциометров и переключателей. -Для изготовления корпуса можно использовать дерево или пластик. -Различные крепежные элементы: болты и гайки 6-32 1 дюйм, шурупы по дереву №8 1/2 дюйма и т.д. -Ручки для потенциометров, провода и припой. -Для проведения измерений вам понадобится цифровой вольтметр и осциллограф или трассировщик сигналов.
Скачать ZIP-файл.
|
| |
|
|
| Molier | Дата: Воскресенье, 22.02.2026, 13:55 | Сообщение # 13 |
|
Генерал-лейтенант
Группа: Администраторы
Сообщений: 622
Статус: Offline
| Добавление дополнительных печатных плат аналоговых секвенсоров.
«Последовательное соединение» аналоговых печатных плат
С одной цифровой платы можно управлять несколькими аналоговыми платами секвенсора. Это достигается путем последовательного соединения контактов QA, QB, QC и QD от цифровой платы секвенсора к одной или нескольким дополнительным аналоговым платам секвенсора. На иллюстрации ниже это показано. Каждая дополнительная аналоговая плата требует собственного набора регуляторов грубой и точной настройки, а также нового набора выходных разъемов CV и регулятора портаменто. Они устанавливаются на панели и подключаются так же, как и оригинальный набор регуляторов грубой/точной настройки, выходных разъемов CV и регулятора портаменто.
В результате теперь вы можете управлять отдельными модулями с помощью синхронизированной 16-шаговой последовательности. При этом количество шагов по-прежнему ограничено. Добавление аналоговых плат не увеличивает количество шагов . Добавление большего количества аналоговых плат позволяет, например, создавать 16-шаговую последовательность аккордов (управляя отдельными VCO) или управлять VCF с помощью одного набора элементов управления, а осцилляторами — с помощью другого. Можно представить себе множество интересных применений.

Как мне подключить дополнительные светодиодные индикаторы каналов?
Хотя, вероятно, можно обойтись и дополнительным набором светодиодов, подключенных параллельно к исходным, я рекомендую изолировать исходную схему управления и добавить буферы того или иного типа к каждому набору новых светодиодов. Ниже я показываю три разных способа управления индикаторными светодиодами расширенной аналоговой секции. Один способ использует NPN-транзисторы в качестве буферов, другой — шестиканальные инвертирующие триггеры Шмитта (CD40106), и, наконец, решение на одном чипе — использование CD4514 (CMOS 4-разрядный защелкивающий транзистор/декодер 4-в-16 линий). Оба варианта будут работать нормально, и любой из них можно собрать на небольшой дочерней плате. Выбор может зависеть от того, что есть у вас в шкафу с компонентами: транзисторы, инверторы или запасной CD4514.
Здесь транзисторы используются для управления светодиодами. Доступ к исходным точкам схемы S0–S15 можно получить на цифровой плате, аккуратно припаяв новые провода к нижней части платы или к панели, где они подключаются к переключателям и светодиодам. Успешно припаянное соединение должно выглядеть аккуратно и блестяще (как и любое другое паяное соединение). Если ваше припаянное соединение получилось комковатым, используйте флюсованную оплетку, чтобы удалить излишки, и попробуйте снова.

Здесь я покажу вам, как использовать инвертирующие буферы для управления светодиодами. Этот метод требует гораздо меньше компонентов и, пожалуй, мой любимый. Оба метода отлично подойдут для небольшой дочерней платы.

Наконец, это метод с использованием CD4514. Он использует один чип, и обратите внимание, что для его управления используются входы QA-QD. Они поступают с аналоговой платы и, скорее всего, их потребуется припаять к контактным площадкам QA-QD на плате.
ИСТОЧНИК
|
| |
|
|