Светодиодный бегущий огонь с использованием счетчика 4017 и таймера 555.
Введение
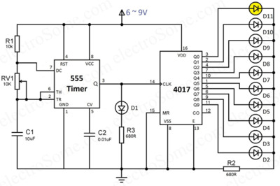
Простую схему для создания светового эффекта бегущей строки можно собрать, используя таймер 555 и микросхему счетчика CD4017 . Эту схему можно использовать в декоративных целях. При соответствующей модификации схему можно даже использовать для управления светильниками, работающими от сети переменного тока.
Необходимые компоненты
Микросхема счетчика CD4017 – 1
Микросхема таймера 555 – 1
Светодиод – 11
Резистор 680 Ом – 11
Резистор 10 кОм – 1
Переменный резистор 10 кОм – 1
Конденсатор 10 мкФ – 1
Конденсатор 0,01 мкФ – 1
Батарея/блок питания 9 В – 1
Схема электрической цепи

Как видно, таймер 555 подключен как автоколебательный мультивибратор , а его выход соединен с тактовым входом микросхемы счетчика 4017. Выходная частота таймера 555 определяется резисторами R1, RV1 и конденсатором C1. VCC (8 -й вывод) и GND (1 -й вывод) подключены к источнику питания. Вывод сброса (RST – 4 -й вывод) подключен непосредственно к положительному полюсу источника питания, чтобы избежать случайного сброса таймера 555. Управляющее напряжение (CV – 5 -й вывод) не используется, поэтому для предотвращения высокочастотных шумов мы подключаем конденсатор (C2 – 0,01 мкФ) к земле.
Светодиод D1 используется для индикации выходного сигнала микросхемы 555, а резистор R3 предназначен для ограничения тока.
Аналогично, выводы VDD (16 - й) и VSS (8 - й) микросхемы CD4017 подключены непосредственно к источнику питания. Вход разрешения тактирования (13 - й) является активным низким входом, поэтому он подключен к земле. Вход тактирования (14 - й) подключен к выходу таймера 555. Каждый из декодированных выходных выводов (Q0 ~ Q9) подключен к светодиоду. Резистор R3 используется для ограничения тока. Для ограничения тока через все светодиоды требуется только один резистор, поскольку одновременно будет включаться только один светодиод .
Схема в работе

Вы легко поймете принцип работы схемы из приведенной выше анимации. Как я объяснил выше, таймер 555 подключен как автоколебательный мультивибратор. Для более подробного объяснения, пожалуйста, прочтите статью « Автоколебательный мультивибратор на основе таймера 555» . Таким образом, 555 будет выдавать прямоугольный сигнал, который будет служить тактовым сигналом для микросхемы счетчика CD4017.
Вы можете видеть, что при каждом высоком импульсе на выходе микросхемы 555 выходное напряжение микросхемы 4017 увеличивается на единицу. Выходная частота автоколебательной микросхемы 555 определяется следующим уравнением.
Выходная частота = 1,44/((R1 + 2RV1) * C1)
Таким образом, вы можете легко изменить выходную частоту вышеуказанной схемы, изменяя значение предустановленного RV1. Это позволяет изменять скорость мигания светодиода.
Заключение
Для уменьшения количества светодиодов можно использовать вход сброса (15 -й вывод – MR). Просто подключите выходной вывод к выводу сброса, как показано ниже. Например, если вам нужно всего 2 светодиода, вы можете подключить Q2 (4-й вывод) к выводу сброса.

Печатная плата
Здесь вы можете увидеть вид сверху и снизу схемы печатной платы. PDF-файлы схемы печатной платы можно скачать в конце этой статьи.


Вот тот, который мы сделали в нашей лаборатории.

ИСТОЧНИК
Источник: https://electrosome.com/led-chaser-ic-4017-ic-555/#google_vignette |